NUESTROS SERVICIOS
Atendemos cada clínica con cuidado y precisión técnica.


MANTENIMIENTO
Revisamos y ajustamos equipos para evitar un mal funcionamiento.
REPARACIONES
Equipamiento dental y toda clase de instrumental rotativo.
VENTA
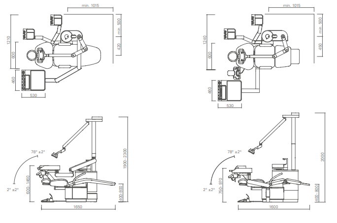
Equipos dentales, compresores, sistemas de aspiración, instrumental rotativo. ¡Todo lo que necesita tu clínica!
SOPORTE TÉCNICO






VENTA
Asesoramiento y suministro de equipamiento profesional, soluciones fiables y adaptadas a necesidades reales de cada cliente.
Servicio técnico especializado en reparación, mantenimiento preventivo y conservación del equipamiento.
PLANIFICACIÓN Y ASESORAMIENTO
Análisis, diseño, y adaptación de espacios y equipamiento, optimizando rendimiento, cumplimiento normativo y eficiencia operativa.